Магазин запчастей для бытовой техники - Arlos
Москва
close
Выберите ваш регион
АбаканАлександровАльметьевскАнгарскАрзамасАрмавирАртемАрхангельскАстраханьАчинскБалаковоБалашихаБеларусьБелгородБердскБерезникиБийскБлаговещенскБратскБрянскВеликий НовгородВидноеВладивостокВладикавказВладимирВолгоградВолгодонскВолжскийВологдаВолховВоркутаВоронежВоскресенскВыборгГатчинаГеленджикГрозныйДедовскДербентДзержинскДзержинскийДимитровградДмитровДолгопрудныйДомодедовоДонецкЕвпаторияЕгорьевскЕкатеринбургЕлецЕссентукиЖелезногорскЖелезнодорожныйЖуковскийЗеленоградЗлатоустИвановоИвантеевкаИжевскИркутскИстраЙошкар-ОлаКазаньКалининградКалугаКаменск-УральскийКамышинКаспийскКемеровоКерчьКировКисловодскКлинКовровКоломнаКомсомольск-на-АмуреКопейскКоролёвКостромаКотельникиКрасногорскКраснодарКраснознаменскКрасноярскКурганКурскКызылЛенинск-КузнецкийЛипецкЛобняЛыткариноЛюберцыМагнитогорскМайкопМалаховкаМахачкалаМиассМоскваМурманскМуромМытищиНабережные ЧелныНазраньНальчикНаро-ФоминскНахабиноНаходкаНевинномысскНефтекамскНефтеюганскНижневартовскНижнекамскНижний НовгородНижний ТагилНовокузнецкНовокуйбышевскНовомосковскНовороссийскНовосибирскНовоуральскНовочебоксарскНовочеркасскНовошахтинскНовый УренгойНогинскНорильскНоябрьскОбнинскОдинцовоОктябрьскийОмскОрелОренбургОрехово-ЗуевоОрскПавловский ПосадПензаПервоуральскПермьПетрозаводскПетропавловск-КамчатскийПодольскПрокопьевскПсковПушкиноПятигорскРаменскоеРеутовРостов-на-ДонуРубцовскРыбинскРязаньСакиСалаватСамараСанкт-ПетербургСаранскСаратовСевастопольСеверодвинскСеверскСергиев ПосадСерпуховСимферопольСмоленскСосновый БорСочиСтавропольСтарый ОсколСтерлитамакСтупиноСургутСызраньСыктывкарТаганрогТамбовТверьТихвинТольяттиТомилиноТомскТроицкТулаТюменьУлан-УдэУльяновскУссурийскУсть-ИлимскУфаУхтаФеодосияФрязиноХабаровскХанты-МансийскХасавюртХимкиЧебоксарыЧелябинскЧереповецЧеркесскЧеховЧитаШахтыЩелковоЭлектростальЭлистаЭнгельсЮжно-СахалинскЯкутскЯлтаЯрославль
  • - бесплатно по РФ
    Автоперезвон. Работает по принципу: Вы позвонили на номер, мы сбрасываем звонок и перезваниваем через 3 секунды.
  • - по Москве
  • 8 (925) 663-83-63

Call-центр

пн-вс: 10:00-19:00

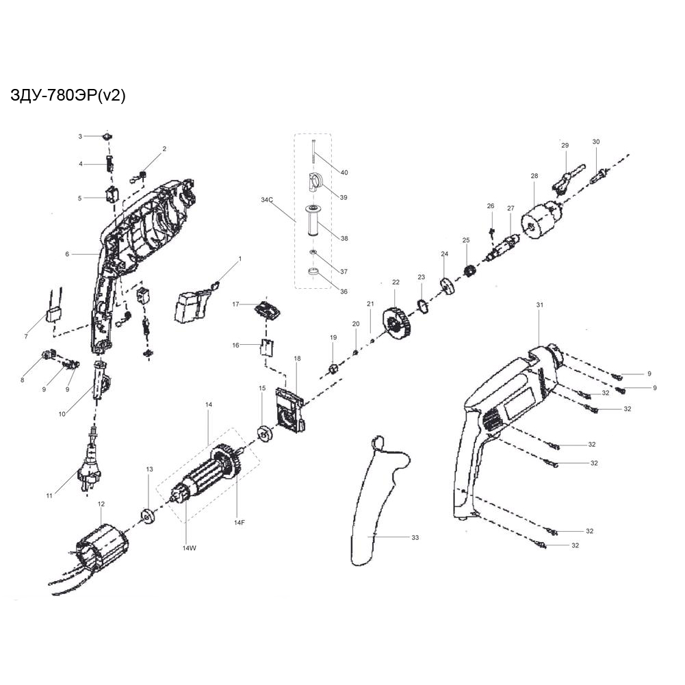
Дрель ударная ЗДУ-780ЭР

Данная модель имеет несколько схем

NАртикулНазваниеСрок отгрузкиЦенаКупить
T21 U009-620-1RS Подшипник шариковый (32х12х10) U009-620-1RS для ЗЦПБ-370, ЗЭП-600Н, НПГ-М3-1100-С 189 р.
1 U502-780-001 Выключатель LIDA FA2-4/1BEK 4(4)A 250V~ 5E4 736 р.
1.20 U009-608-RS0 Подшипник шариковый 608-2RS (22х8х7) U009-608-RS0 для пил ЗПС-850 Э, ЗПТ-210-1300-Л 306 р.
2 U352-110-057 Катушка индукторная #Fu 92 р.
2.023 U353-110-006 Шпонка сегментная 3х10 U353-110-006 для ПБЦ-370 35П, ЗДУ-580 ЭРКМ2 92 р.
3 U352-850-029 Крышка щеткодержателя 10х10 92 р.
4 U009-626-RS0 Подшипник шариковый 626-2Z (19х6х6) U009-626-RS0 для ДУ-600, ЗДУ-580ЭР 92 р.
4 U352-850-028-W Щетка графитовая (пара) 5х8х11 189 р.
5 U352-850-026-C Щеткодержатель в сборе 13х13х19 92 р.
6 U502-780-006 Корпус левая часть 286 р.
7 U353-115-041 Конденсатор 0,33мкф 92 р.
8 U352-120-058 Прижим шнура #Fu
9 UM02-000-026 Саморез 4x17 РН2 92 р.
10 U098-001-002 Воротник шнура 92 р.
11 U099-004-005 Шнур сетевой резиновый 2х0.75мм 2м 189 р.
12 U502-780-012 Статор D58.5/52x42 1.353 р.
14 U502-780-014 Ротор D35x42 1.935 р.
16 U352-810-013 Планка переключения удар/сверление #Fu 92 р.
17 U502-780-017 Переключатель удар-сверление 92 р.
18 U502-780-018 Промщит с ударной панелью 383 р.
19 U252-651-011 Втулка D10 D7 h9 #Fu 189 р.
20 U201-850-020 Шарик стальной D5 84 р.
21 U352-810-009 Кольцо стопорное разрезное 92 р.
22 U502-780-022 Шестерня ударная Z43 325 р.
23 U352-810-007 Кольцо стопорное разрезное 92 р.
25 U352-102-009 Пружина h16 D14,5 4 витка #Fu 92 р.
27 U502-780-027 Шпиндель 286 р.
28 UAC-13-1/2 Патрон ключевой для дрели, 1/2, 1,5-13мм 480 р.
30 UM01-001-005 Винт M5х25 (Левая резьба) 92 р.
31 U502-780-031 Корпус правая часть 286 р.
32 UM02-000-066 Саморез 4x19 PH2 92 р.
33 U502-780-033 Накладка
34С U502-780-034-C Рукоятка дополнительная в сборе 286 р.
35 U352-810-039 Линейка-упор #Fu 92 р.
36 U502-780-036 Заглушка
37 UM05-000-007 Гайка M8 92 р.
38 U502-780-038 Рукоятка дополнительная
39 U352-810-037 Хомут рукоятки #Fu 92 р.
40 UM03-000-009 Болт M8x95 #F 92 р.
Найдено товаров: 39
1
▲ Наверх
0
8 (925) 663-83-63

Call-центр

пн-вс: 10:00-19:00

НАЙТИ ПО МОДЕЛИ
Введите номер заказа
Введите номер своего заказа, что бы узнать его текущий статус.
Что бы получить доступ к расширенным функциям, пройдите не сложную регистрацию. Зарегистрироваться